Png Tune

  • Home

Senin, 27 Desember 2021

Home » » 1983 Truck Fuse Box Diagram - Fuse Box Diagram Dodge Ram 1983 1987 -

1983 Truck Fuse Box Diagram - Fuse Box Diagram Dodge Ram 1983 1987 -

  Clipart Meriwether     Senin, 27 Desember 2021

Automotive fuse boxes typically fail due to overheating. A fuse box controls the electrical power in your home. An automobile typically has two fuse boxes. To prevent unnecessarily complicated and costly wiring repairs, fuses offer a convenient way to regulate the maximum amount of current to an electronic device. Box trucks are used by renters to move boxes, furniture and oversized appliances from one location to another.

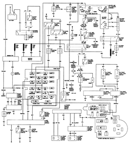
A fuse box controls the electrical power in your home. Gmc Wiring Diagrams 1983 1987 Gmc Fuse Box Diagrams
Gmc Wiring Diagrams 1983 1987 Gmc Fuse Box Diagrams from 3.bp.blogspot.com
One, located in the engine compartment, is for the motor's electrical needs, and one in the cab of the vehicle is for accessories and lights. Very easy to make, but effective fuse: This is my first instructable so. I know everytime i have framed a shed, room or built a workbench or table i have left over 2x4's. To prevent unnecessarily complicated and costly wiring repairs, fuses offer a convenient way to regulate the maximum amount of current to an electronic device. This project is 95% 2x4's, all simple easy cuts. Get tips on blown fuses, replacing a fuse, and more. This is the perfect project for some left over 2x4's.

Toy box / truck combo 2x4:

Get tips on blown fuses, replacing a fuse, and more. Automotive fuse boxes typically fail due to overheating. I know everytime i have framed a shed, room or built a workbench or table i have left over 2x4's. Learn all the basics of fuses and fuse boxes in your home. The cubed storage space of a box truck is ideal for stacking and arranging packages neatly for safe hauling. This is my first instructable so. To prevent unnecessarily complicated and costly wiring repairs, fuses offer a convenient way to regulate the maximum amount of current to an electronic device. However, it received high marks from owners vehicles reliability, per. Very easy to make, but effective fuse: A fuse box controls the electrical power in your home. An automobile typically has two fuse boxes. This project is 95% 2x4's, all simple easy cuts. The electrical system in every home has some form of circuit protection to shut off circuits in the event of an overload, short.

However, it received high marks from owners vehicles reliability, per. The fuses protect each circuit from excessive amps, wh. The cubed storage space of a box truck is ideal for stacking and arranging packages neatly for safe hauling. Box trucks are used by renters to move boxes, furniture and oversized appliances from one location to another. This is my first instructable so.

To prevent unnecessarily complicated and costly wiring repairs, fuses offer a convenient way to regulate the maximum amount of current to an electronic device. 1983 S10 Fuse Box Diagram Fixya
1983 S10 Fuse Box Diagram Fixya from www.fixya.com
This fuse may not reach pro standards but as far as i'm concerned its well easy to make and effective. Automotive fuse boxes typically fail due to overheating. When it's time to replace a fuse box, professional electricians are usually recommended for the job. The cubed storage space of a box truck is ideal for stacking and arranging packages neatly for safe hauling. Box trucks are used by renters to move boxes, furniture and oversized appliances from one location to another. The fuses protect each circuit from excessive amps, wh. This is the perfect project for some left over 2x4's. One, located in the engine compartment, is for the motor's electrical needs, and one in the cab of the vehicle is for accessories and lights.

When it's time to replace a fuse box, professional electricians are usually recommended for the job.

This is the perfect project for some left over 2x4's. Very easy to make, but effective fuse: However, it received high marks from owners vehicles reliability, per. Toy box / truck combo 2x4: To prevent unnecessarily complicated and costly wiring repairs, fuses offer a convenient way to regulate the maximum amount of current to an electronic device. When it's time to replace a fuse box, professional electricians are usually recommended for the job. Get tips on blown fuses, replacing a fuse, and more. A fuse box controls the electrical power in your home. Learn all the basics of fuses and fuse boxes in your home. This fuse may not reach pro standards but as far as i'm concerned its well easy to make and effective. If you can't afford to have your box truck repainted professionally, use "tractor" paint and apply it yourself. The electrical system in every home has some form of circuit protection to shut off circuits in the event of an overload, short. Automotive fuse boxes typically fail due to overheating.

Some automobile problems may be attributed to a failure of the electrical system. Get tips on blown fuses, replacing a fuse, and more. When it's time to replace a fuse box, professional electricians are usually recommended for the job. This fuse may not reach pro standards but as far as i'm concerned its well easy to make and effective. There are several causes for overheating, including added aftermarket electrical accessories or undersized wires or connections that were installed by the manufacturer, which sometime.

When it's time to replace a fuse box, professional electricians are usually recommended for the job. Fuse Box Diagram Dodge Ram Van 1983 1989
Fuse Box Diagram Dodge Ram Van 1983 1989 from fusesdiagram.com
One, located in the engine compartment, is for the motor's electrical needs, and one in the cab of the vehicle is for accessories and lights. This project is 95% 2x4's, all simple easy cuts. I know everytime i have framed a shed, room or built a workbench or table i have left over 2x4's. If you can't afford to have your box truck repainted professionally, use "tractor" paint and apply it yourself. Very easy to make, but effective fuse: The electrical system in every home has some form of circuit protection to shut off circuits in the event of an overload, short. A fuse box controls the electrical power in your home. The fuses protect each circuit from excessive amps, wh.

Toy box / truck combo 2x4:

This is my first instructable so. To prevent unnecessarily complicated and costly wiring repairs, fuses offer a convenient way to regulate the maximum amount of current to an electronic device. Automotive fuse boxes typically fail due to overheating. I know everytime i have framed a shed, room or built a workbench or table i have left over 2x4's. A fuse box controls the electrical power in your home. The electrical system in every home has some form of circuit protection to shut off circuits in the event of an overload, short. Most current homes have circuit breakers while older homes have fuse boxes. Learn all the basics of fuses and fuse boxes in your home. Very easy to make, but effective fuse: If you can't afford to have your box truck repainted professionally, use "tractor" paint and apply it yourself. An automobile typically has two fuse boxes. This project is 95% 2x4's, all simple easy cuts. However, it received high marks from owners vehicles reliability, per.

1983 Truck Fuse Box Diagram - Fuse Box Diagram Dodge Ram 1983 1987 -. This is my first instructable so. One, located in the engine compartment, is for the motor's electrical needs, and one in the cab of the vehicle is for accessories and lights. The fuses protect each circuit from excessive amps, wh. Box trucks are used by renters to move boxes, furniture and oversized appliances from one location to another. Most current homes have circuit breakers while older homes have fuse boxes.

If you can't afford to have your box truck repainted professionally, use Source: i.pinimg.com

This is the perfect project for some left over 2x4's. This fuse may not reach pro standards but as far as i'm concerned its well easy to make and effective. There are several causes for overheating, including added aftermarket electrical accessories or undersized wires or connections that were installed by the manufacturer, which sometime.

One, located in the engine compartment, is for the motor's electrical needs, and one in the cab of the vehicle is for accessories and lights. Gmc Wiring Diagrams 1983 1987 Gmc Fuse Box Diagrams Source: 4.bp.blogspot.com

There are several causes for overheating, including added aftermarket electrical accessories or undersized wires or connections that were installed by the manufacturer, which sometime. One, located in the engine compartment, is for the motor's electrical needs, and one in the cab of the vehicle is for accessories and lights. I know everytime i have framed a shed, room or built a workbench or table i have left over 2x4's.

If you can't afford to have your box truck repainted professionally, use Source: i.ebayimg.com

This is my first instructable so. I know everytime i have framed a shed, room or built a workbench or table i have left over 2x4's. There are several causes for overheating, including added aftermarket electrical accessories or undersized wires or connections that were installed by the manufacturer, which sometime.

However, it received high marks from owners vehicles reliability, per. Ford Mustang 1983 1986 Fuse Box Diagram Auto Genius Source: www.autogenius.info

The electrical system in every home has some form of circuit protection to shut off circuits in the event of an overload, short. If you can't afford to have your box truck repainted professionally, use "tractor" paint and apply it yourself. Automotive fuse boxes typically fail due to overheating.

The cubed storage space of a box truck is ideal for stacking and arranging packages neatly for safe hauling. Gmc Wiring Diagrams 1983 1987 Gmc Fuse Box Diagrams Source: 3.bp.blogspot.com

Get tips on blown fuses, replacing a fuse, and more. Very easy to make, but effective fuse: Most current homes have circuit breakers while older homes have fuse boxes.

Toy box / truck combo 2x4: 83 Fusebox Diagram Gm Square Body 1973 1987 Gm Truck Forum Source: www.gmsquarebody.com

Learn all the basics of fuses and fuse boxes in your home.

One, located in the engine compartment, is for the motor's electrical needs, and one in the cab of the vehicle is for accessories and lights. Fuse Box Diagram For 1988 Camaro Iroc Z Third Generation F Body Message Boards Source: www.thirdgen.org

Automotive fuse boxes typically fail due to overheating.

The electrical system in every home has some form of circuit protection to shut off circuits in the event of an overload, short. Fuse Panel Circuit Protection Source: www.garysgaragemahal.com

Get tips on blown fuses, replacing a fuse, and more.

Some automobile problems may be attributed to a failure of the electrical system. Need Help With Wiring The 1947 Present Chevrolet Gmc Truck Message Board Network Source: www.suspendedlaunch.com

Toy box / truck combo 2x4:

Very easy to make, but effective fuse: 1983 Pickup Fuse Panel Info Needed Yotatech Forums Source: cimg5.ibsrv.net

One of the best ways to tap into your car's electrical system is to take advantage of empty slots in the car's fuse box.

By Clipart Meriwether at Desember 27, 2021

Tidak ada komentar:

Posting Komentar

Popular Posts

  • anet a8 bltouch wiring
  • toyostove laser 73 service manual
  • Anders Nicholson Turntable Manual - Review The Anders Nicholson System Bestrecordplayer Net -
  • Kindergarten Lowercase Letters - Easy Kindergarten Lowercase Alphabet Worksheets For Tracing -
  • Fiction Book Report Template Pdf - Fiction Non Fiction Book Report Teaching Resources -

Recent Posts

Arsip Blog

  • ►  2022 (10)
    • ►  Maret (6)
    • ►  Februari (2)
    • ►  Januari (2)
  • ▼  2021 (66)
    • ▼  Desember (40)
      • 2000 Dodge Durango Stereo Wiring - Solved Brake Li...
      • 12 3 Wiring Diagram / 3 Way Lighting Circuit Light...
      • 1983 Truck Fuse Box Diagram - Fuse Box Diagram Dod...
      • Extreme Dot To Dots Printables - Extreme Dot to Do...
      • Leaves For Kindergarten - Autumn leaf matching | K...
      • Easter Math Kindergarten / Easter Kindergarten Mat...
      • Fact Family Equations - Math facts, Math, Flashcar...
      • Kindergarten Transportation Activities / 23+ Presc...
      • Compound Words Activity 3Rd Grade / Learning Compo...
      • Vizio Sb4020E Manual / Vizio Sb4021e A0 Datasheet ...
      • Integra Receiver Manual - Aclk Sa L Ai Dchcsewid5u...
      • Kenwood Kdc Bt565U Manual / Kenwood Kdc Bt565u Vol...
      • Brother Hl-L2390Dw Manual : Aclk Sa L Ai Dchcsewil...
      • Cerwin Vega Lw 10 Manual / Cerwin Vega Lw 10x -
      • Lacrosse Radio Controlled Clock Manual / Buy Lacro...
      • Honeywell Home Thermostat Manual / 940750183095620...
      • Troy Bilt Horse Tiller Manual / Troy Bilt Horse 1 ...
      • Kenwood Dnx6180 Manual : Kenwood Service Manual Kr...
      • Whirlpool Gold Oven Manual - Whirlpool Gh7208xrs G...
      • Anders Nicholson Turntable Manual - Review The And...
      • Alto Shaam Halo Heat Manual / Alto Shaam Inc 20 20...
      • Hp Probook 650 Manual / Hp Probook 650 G5 User Man...
      • Garmin Fenix 5 Manual / Bedienungsanleitung Garmin...
      • Honeywell 5817 Manual : Sensors Free Full Text A W...
      • Jsd-520 Manual EspaƱol : Aclk Sa L Ai Dchcsewicku ...
      • Airturn Bt 105 Manual : 5781053181909067398 :
      • Orbit Water Timer Manual - Orbit B Hyve 94885 Xr O...
      • Brookstone Cat Headphones Manual : 317857 Cat Ear ...
      • Number Writing Practice 1-10 - Write The Number Wo...
      • Double Digit Addition And Subtraction Worksheets :...
      • State Capital Quiz Printable / 50 States Worksheet...
      • Printable Word Search For Third Graders / Third Gr...
      • 2 Syllable Vowel Team Words / Vowel Team Syllables...
      • Simple Plant Cell Diagram Labeled : Plant Vs Anima...
      • Poetic Rhyming Words - Catch A Little Rhyme Poem R...
      • Father's Day Preschool Art : Homemade Cards For Fa...
      • Paper Plate Elephant Craft Preschool / Paper Plate...
      • Classroom Earth Day Activities For Preschoolers : ...
      • De0 Nano Manual : Terasic P0082 De0 Nano Fpga Deve...
      • Insects Lesson Plan For Preschool / 25 Bug Activit...
    • ►  November (26)

Follow by Email

Subsribe to get post update from this blog in your email inbox.

Copyright © Png Tune. All rights reserved. Template by Bootstrap